| 사양 | RFDF12 | |
| 배달 수 | 독립적 인 이중 배달 | |
| 최대 출력 속도 (m/min) | 1000 | |
| 가시 원료 | 면, 각종 화학 섬유, 비스코스 및 그들의 혼합, 등. | |
| Spinnable 섬유 길이 (mm) | 16 ~ 80 | |
| 드로잉 범위 | 5.3 ~ 10.2 | |
| 조합 번호 | 6 ~ 8 | |
| 출력 슬라이버 허용 (Ktex) | 2.2 ~ 8.8 | |
| 드로잉 폼 | 이중 영역 곡선이있는 4 개의 상부 및 4 개의 하부 가이드 롤러와 압력 바 | |
| 여러 그리기 조정 | 전자 조정 (조정 범위가 클 때 벨트 풀리를 변경해야 함) | |
| 크래들 가압의 형태 | 스프링이 가압되면 가죽 시리즈가 크래들과 함께 상승하고 떨어집니다. | |
| 가이드 바 프레임 | 적극적으로 먹이를위한 오버 헤드 알루미늄 프로파일 | |
| 코일 형태 | 대형 코일 | |
| 청소 방법 | 금속 와이퍼 스틱 또는 스크레이퍼 | |
| 공기 흡입 시스템 | 중앙 집중식 자동 noil | |
| 고무로 덮인 롤 (mm) 의 직경 | Φ38 × φ38 × φ38 × φ38 | |
| 롤러 직경 (mm) | Φ40 × φ30 × φ30 × φ30 | |
| 오토레벨러 시스템 | 오토레벨러 | USG-3 |
| 온라인 탐지 | 소용돌이 센서 | |
| 메인 모터 (kW) 의 힘 | 2 × 5.5 | |
| 팬 전력 (kW) | 1.5 | |
| 서보 모터 전력 (kW) | 2 × 1.5 | |
| 낮은 코일 서보 모터 (kW) 의 힘 | 2 × 0.75 | |
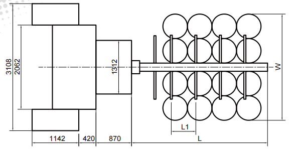
| 피드 캔 (mm) | 직경 | Φ500, φ600, φ1000 |
| 높이 | 1100, 1200 | |
| 출력 수 (mm) | 직경 | Φ400, φ450, φ500 |
| 높이 | 900, 1100 | |
| 오버장비의 모든 치수 (mm) 길이 x 너비 | 2432 × 3108 | |
| 장비 무게 (kg) | 2350 | |
| 공기 사용 (바) | 6 위 | |



| 사료 캔 | L1 | L | W |
| Φ600 듀얼 열 | 600 | 3328 | 2600 |
| Φ1000 듀얼 열 | 1000 | 5855 | 3738 |
| Φ1000 단일 열 | 1000 | 9062 | 2200 |
두 가지 전달은 기계적 전송을 실현하고 전기 제어는 완전히 독립적으로 작동하므로 한 대의 기계가 두 가지 제어와 두 가지 목적을 달성 할 수 있습니다. 이 기계는 국제 및 국내 유명 기업의 제품과 유리하게 비교되며 선도적 인 수준입니다. 슬라이버 출력 속도는 최대 1000m/min입니다.
Uster USG3 자동 레벨러 시스템 두 세트를 갖추고 있으며 자동 제어, 지능형 감지, 원격 유지 보수 및 효율적인 작동의 성능과 특성을 갖추고 있습니다. 출력 슬라이버의 품질은 안정적이고 신뢰할 수 있습니다.
결과 원사 품질회전하는 기계효과적으로 향상 될 수 있고, 평탄성의 CV % 값은 0.6 ~ 1% 에 의해 향상됩니다. 잘 익은 은색의 무게 불균일 성:
1m 잘 익은 은색, 무게 불균일 CV1m 은 <0.4;
3m 익은 은색의 경우, 무게 불균일 CV3m 은 <0.3;
5m 익은 은색의 경우, 중량 불균일 CV5m 은 <0.2.