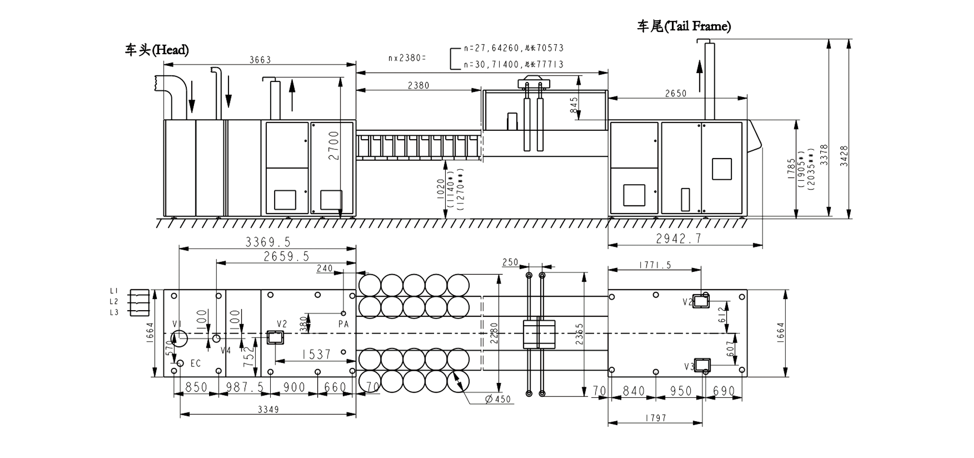
설치 도면 (540 스핀들 이상, 기관차 길이는 666mm 증가해야 함)
| 아이템 | 단위 | 기술 색인 |
|---|---|---|
| 로터 속도 | R/min | 45000-두 가지 방법으로 독립적 인 드라이브를 110000 주파수 변환 조정; |
| 도핑 속도 | M/min | 최대 200 |
| 가이드 각도 | 학위 | 30 °-42 ° 단계없는 규정 |
| 오프닝 롤러 속도 | R/min | 6000-두 가지 방법으로 독립적 인 드라이브를 10000 주파수 변환 조정; |
| 공기 배기 팬의 공기 용량 | M³/h | 주파수 변압기에 의해 규제되는 ≤ 2000 |
| 최적 원사의 밀도 | Tex (Ne) | 120-15 (5-40) |
| 최적 섬유의 길이 | Mm | ≤ 60mm |
| 초안 비율 | 타임즈 | 20-280 |
| 트위스트의 범위 | T/m | 200-2000 |
| 수유 실버 | Ktex | 2.5-7 |
| 긴장의 초안 비율 | 타임즈 | 0.6-1.5 |
| 오프닝 롤러의 직경 | Mm | 65 |
| 로터 직경 | Mm | 33/34/36/40/50/54 |
| 스핀들 게이지 | Mm | 230 |
| 총 스핀들 | 스핀들 | ≤ 600 |
| 스핀들 번호 하나 | 스핀들 | 20 |
| 플랫 보빈의 사양 | Mm | Φ42 (롤링 에지) /54 (스트레이트 에지) |
| (내부 직경 × 길이) | Φ40 (롤링 에지) /50 (스트레이트 에지) | |
| 원추형 보빈의 사양 | Mm | 2*Φ44 (롤링 에지) /65 (스트레이트 에지) |
| (내부 직경 × 길이) | ||
| 캔의 사양 (외경/높이) | Mm | 16 "(Φ400 ) 、 18" (Φ450) 、 20 "(Φ530) /표준 높이 900, 1200 최적입니다 |
| 롤링의 사양 | Mm | 플랫 보빈에 관해서는, Φ300 는 최대이다; |
| (직경) | 테이퍼 보빈에 관해서는, Φ270 은 최대이다. | |
| 전체 보빈의 무게 | Kg | 최대 4 |
| 리프팅 장치 | 자동 공기 드라이브 리프팅 | |
| 장치의 길이 | M | ≤ 77.8 |
| 장치의 무게 | Kg | 중앙 부분을 N 섹션 꼬리 (N≤ 30) |
| 최대 설치 전력 | KW | 195 |


스피너 ---- 로터 회전 기계의 심장
실험 데이터를 완전히 수집하고 분석하고 스피너 채널을 최적화하여 최적의 방적과 원사 품질 사이의 완벽한 조합을 실현합니다. 특허 쓰레기 제거 시스템으로 다른 종류의 더 많은 원료를 처리 할 수 있습니다. 고객이 여유로운 속도로 시장 변화에 직면하고 근로자의 노동 강도를 줄입니다. 채널의 개방은 고강도의 도자기로 덮여 있으며, 섬유의 마모를 공동으로 줄이고 서비스 수명을 연장합니다.''

최적의 공동 시스템-고속 회전의 약속
브레이킹 응답이 0.1 초 인 표준 공압 리프팅 장치; 수백만 건의 실험에서 높은 신뢰성이 입증되었습니다. 독특한 조인트 시스템을 사용하면 롤러는 조인트의 품질에 보빈의 영향을 피하기 위해 접합시 실을 안내하기 위해 와인딩 롤러 앞에 있습니다. 독점적 인 수학 조인트 모드와 스테핑 롤러 피딩은 조인트의 강도와 모양을 보장하기 위해 공급량과 시간을 정확하게 제어합니다.

전체적인 기계의 색깔 변화
지능의 시작, 그것은 노동 작업 대신 반자동 기계의 모드를 시작, 휴식의 끝없이 자동 도핑을 실현, 노동 강도를 줄일 수 있습니다. 고정 된 위치에서 도핑까지 고효율, 하나의 표준 도핑 작업 시간은 20 초 이내입니다. 지능형, doffing의 자동 및 수동 모드를 실현할 수 있습니다.

로터 베어링 무료 분해 장치
이 장치는 유지 보수 작업의 노동 강도를 크게 줄이고 그리드 거리 안정성을 보장하며 제품 일관성을 향상시킵니다.

싱크로 피어싱
이 시스템은 주로 정상적인 셧다운 또는 비정상적인 그리드 정전의 자동 조인트에 사용되며, 이는 전체 기계의 조각 시간을 줄이고 근로자의 노동 강도를 줄일 수 있습니다.

건강 인터넷 시스템
기계 프로그램은 온라인, 온라인 모니터링 및 주요 전송 구성 요소의 조기 경고를 업그레이드 할 수 있으며 사용자는 전 세계 실시간으로 장비의 실제 작동을 알 수 있습니다.

전자 긴장 시스템
디지털 제어는 복잡한 기계적 조정 작업을 줄일 수 있습니다. 사용자는 헤드 스톡의 모니터에서 장력 계수를 직접 조정할 수 있으며 조정 정밀도는 0.001 도달 할 수있어 권선 패키지의 안정적인 형성을 보장합니다.

Barotropic 냉각 시스템
이 시스템은 헤드 스톡과 테일 박스의 내부 공동에 비행 및 먼지의 축적을 줄이고 유지 보수 작업자의 노동력을 줄이고 전기 부품의 열 냉각 상태를 개선 할 수 있습니다. 따라서 작동 안정성을 높이고 에너지 소비를 줄입니다.

자동 제거 불순물 시스템
이 시스템은 작업자의 노동 강도를 줄이고 기계에 대한보다 안정적인 부압 환경을 제공하여 회전 생산을보다 안정적으로 만들고 원사 품질의 일관성을 향상시킵니다.

전체적인 기계의 색깔 변화
기계의 색상은 완전히 ltalian 회사에 의해 이루어졌습니다.
색상은 지금보다 풍부하고 계층화 될 것이며 사용자에게 새로운 시각적 영향을 줄 것입니다.

완벽 하 게 세부 사항 최적화
○ Servo는 가로 원사 안내를 구동하고 배달 속도는 최대 200 m/min까지 도달 할 수 있습니다.
○ 스테핑 마이크로 드라이브 기관은 롤러에 대한 실의 마모를 줄입니다.
○ 최적화 된 기계 프레임은 작동 높이를 줄이고 최대 1200 mm의 캔을 장착 할 수 있습니다.
○ 전체 기계는 변환 주파수로 구동되어 에너지를 보존하고 소비를 줄입니다. 양면은 독립적으로 전송되어 생산의 생산 지원 시간을 줄입니다.

품질 보증에 글로벌 소싱
우리는 장비 품질을 보장하기 위해 글로벌 소싱을 통해 구입 한 특수 부품으로 잘 알려진 공급 업체와 전략적 협력을 수행합니다. 완벽하고 건전한 품질 관리 시스템은 제품 품질을 보장합니다.